Sysimple CPRF 160-B2S

На складе: мало
Для агрессивных сред
Корпус из пластика
Удаление паров кислот и щелочей
Новинка
Арт. 10C
Типоразмер
160
200
250
300
-
Фазность
1-фазный (S)
3-фазный (T)
-
Лопатки
Вперёд загнутые (F)
Назад загнутые (B)
-
Полюса двигателя
2
4
-
Внимание: Для данных двигателей регулирование не применимо – вентилятор работает на расчетной точке.
65 600 руб.
820 USD

Описание

Коррозионностойкий центробежный вентилятор специально разработан для транспортировки агрессивных сред. Температура перемещаемого воздуха до +60ºC.

Корпус вентилятора выполнен из полиэтилена. Рабочее колесо с назад либо вперед загнутыми лопатками изготовлено из полипропилена.

Вентилятор подходит для объектов, где необходимо удаление различных едких паров и газов: серной кислоты, аммиака, бензола, формальдегида и пр. Вентиляторы применяются в лабораториях, вытяжных шкафах, химических складах, гальванических цехах и т.п. для вытяжной вентиляции.

Корпус вентилятора устанавливается в любом из 8 положений с шагом 45 градусов.

Вентилятор имеет круглое присоединение к системе воздуховодов со стандартными диаметрами 160, 200, 250, 300 мм.

Технические характеристики

Напряжение220 В
Частота50 Гц
Мощность180 Вт
Скорость2800 об/мин
Производительность1100 м³/час
Звуковое давление65 дБ
Класс защиты55
Вес10 кг
*звуковое давление на расстоянии 3 м

Производительность

Производительность

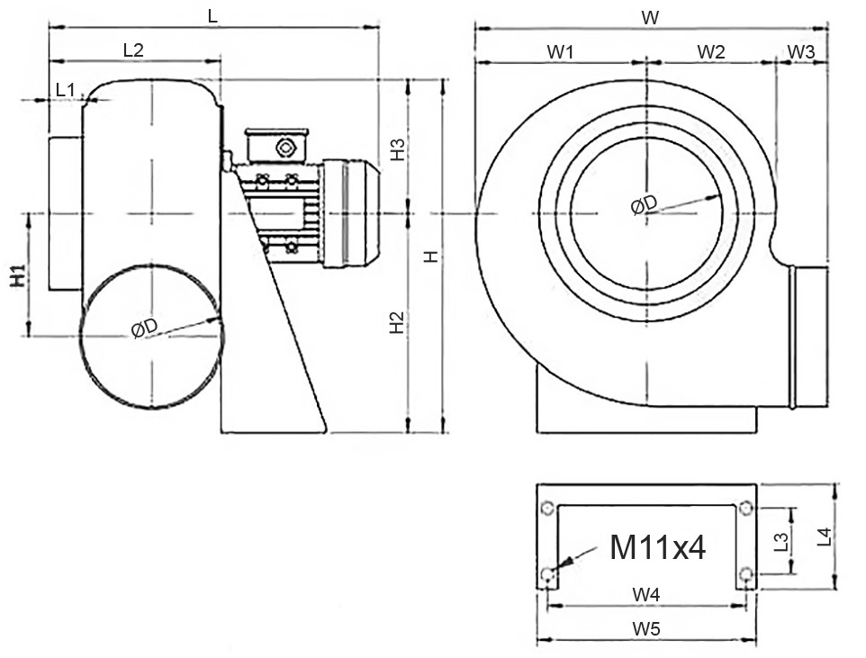
Габариты

D
160 мм
L
415 мм
L1
35 мм
L2
210 мм
L3
100 мм
L4
140 мм
W
385 мм
W1
185 мм
W2
140 мм
W3
60 мм
W4
205 мм
W5
236 мм
H
403 мм
H1
145 мм
H2
253 мм
H3
150 мм
Габариты

Документация

Руководство пользователя Sysimple CPRF.pdf
Скачать все
Скачать в PDF
С этим товаром покупают
Крышные вентиляторы с ЕС-двигателями Sysimple TDVC-EC
Крышные вентиляторы с ЕС-двигателями Sysimple TDVC-EC
Термостойкие вентиляторы Sysimple TKTH
Термостойкие вентиляторы Sysimple TKTH
Шумоглушители LDCV 600 мм
Шумоглушители LDCV 600 мм
Шумоглушители LDCV 900 мм
Шумоглушители LDCV 900 мм
Главная
Каталог
Корзина
Войти
Этот сайт использует файлы cookies и сервисы сбора технических данных посетителей